Beschreibung
· Dienen als Auflage, Anschläge und Druckstücke
· Anwendungsgebiete: Maschinenbau, Vorrichtungsbau, Werkzeugbau
· Zum Stützen von Werkstücken und Vorrichtungen
· Auflagefläche einsatzgehärtet
Werkstoff:
Körper Vergütungsstahl.
Ausführung:
Körper vergütet und brüniert.
Auflageflächen einsatzgehärtet.
Hinweis:
Die Vorrichtungsfüße werden zum Stützen von unbearbeiteten und bearbeiteten Werkstücken und Vorrichtungen verwendet. Darüber hinaus dienen sie als Anschläge und Druckstücke im Vorrichtungs- und Werkzeugbau.
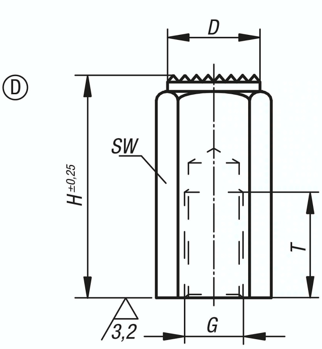
Spezifikationen
Gewicht
0,047 KG
Form
D
H
32
SW
17
D
16,5
G
M10
T
18
Material Grundkörper
Vergütungsstahl
Benennung
Vorrichtungsfuß




