Beschreibung
· Dienen als Auflage, Anschläge und Druckstücke
· Anwendungsgebiete: Maschinenbau, Vorrichtungsbau, Werkzeugbau
· Zum Stützen von Werkstücken und Vorrichtungen
· Auflagefläche einsatzgehärtet
Werkstoff:
Körper Vergütungsstahl.
Ausführung:
Körper vergütet und brüniert.
Auflageflächen einsatzgehärtet.
Hinweis:
Die Vorrichtungsfüße werden zum Stützen von unbearbeiteten und bearbeiteten Werkstücken und Vorrichtungen verwendet. Darüber hinaus dienen sie als Anschläge und Druckstücke im Vorrichtungs- und Werkzeugbau.
Spezifikationen
Material Grundkörper
Vergütungsstahl
Benennung
Vorrichtungsfuß
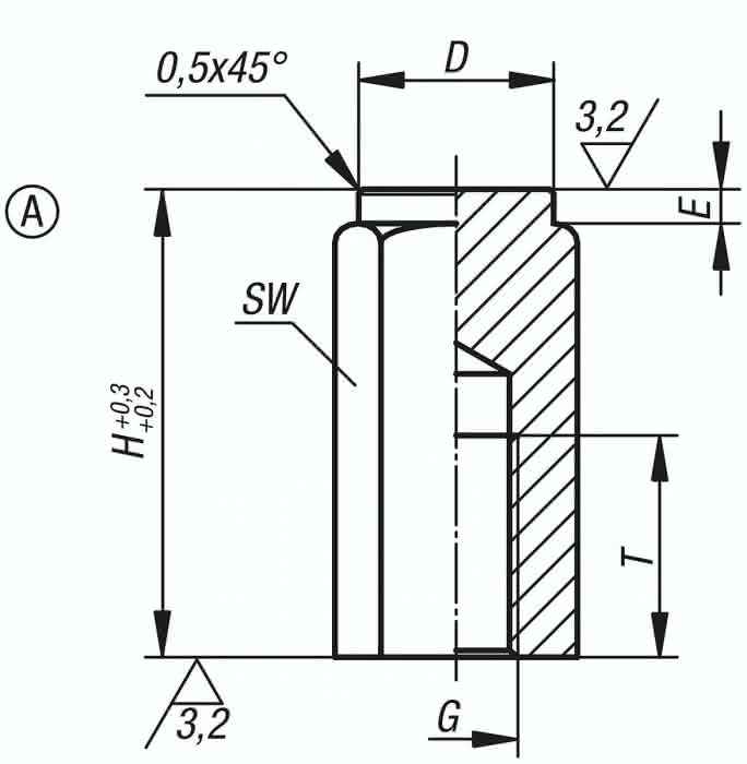
Form
A
H
20
D
9,5
SW
10
G
M6
T
12
E
2
Gewicht
0,01 KG




