Beschreibung
· Dienen als Auflage, Anschläge und Druckstücke
· Anwendungsgebiete: Maschinenbau, Vorrichtungsbau, Werkzeugbau
· Ideal zum Stützen von Werkstücken
· Hohe Stabilität
· Auflagefläche einsatzgehärtet
Werkstoff:
Körper Vergütungsstahl.
Ausführung:
Körper vergütet und brüniert.
Auflageflächen einsatzgehärtet.
Hinweis:
Die Positionsfüße werden zum Stützen von unbearbeiteten und bearbeiteten Werkstücken verwendet. Darüber hinaus dienen sie als Anschläge und Druckstücke im Vorrichtungs- und Werkzeugbau.
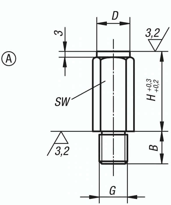
Spezifikationen
D
13
Material Grundkörper
Vergütungsstahl
Benennung
Positionsfuß
Form
A
B
13
H
10
G
M8
SW
13
Gewicht
0,015 KG




