Beschreibung
· Metall-Keramik Verbundslösung
· Schlagzäh und biegefest
· Passmaß zur genauen Positionierung
Werkstoff:
Hochleistungskeramik Cerazur.
Ausführung:
geschliffen.
Vorteile:
Cerazur ist extrem schlagzäh und biegefest. Die Basis des Werkstoffs bildet Zirkonoxid. Es handelt sich um eine Metall-Keramik Verbundslösung.
Spezifikationen
Material Grundkörper
Keramik
Benennung
Aufnahmebolzen
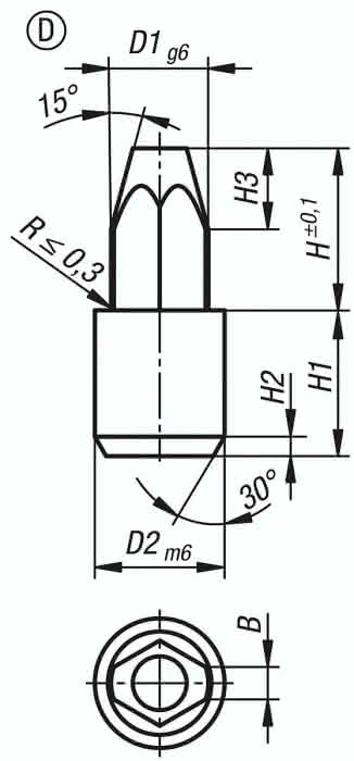
Form
D
D1
6
D2
8
H1
9
H2
1,2
H3
5
B
2,0
H
18
Gewicht
0,0047 KG



