Beschreibung
· Metall-Keramik Verbundslösung
· Schlagzäh und biegefest
· Passmaß zur genauen Positionierung
Werkstoff:
Hochleistungskeramik Cerazur.
Ausführung:
geschliffen.
Vorteile:
Cerazur ist extrem schlagzäh und biegefest. Die Basis des Werkstoffs bildet Zirkonoxid. Es handelt sich um eine Metall-Keramik Verbundslösung.
Spezifikationen
Material Grundkörper
Keramik
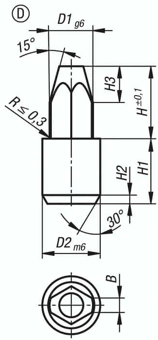
Benennung
Aufnahmebolzen
Form
D
D1
4
B
1,6
D2
6
H
16
H1
9
H3
4
H2
0,9
Gewicht
0,0024 KG



