Beschreibung
· Die Kugel ist gegen Verdrehen gesichert.
· Dienen als Auflage, Anschläge und Druckstücke
· Anwendungsgebiete: Maschinenbau, Vorrichtungsbau, Montage
· Kugel gegen Verdrehen gesichert
· Ausführung: Stahl oder Edelstahl
Spezifikationen
Material Grundkörper
Edelstahl
Benennung
Pendelauflage
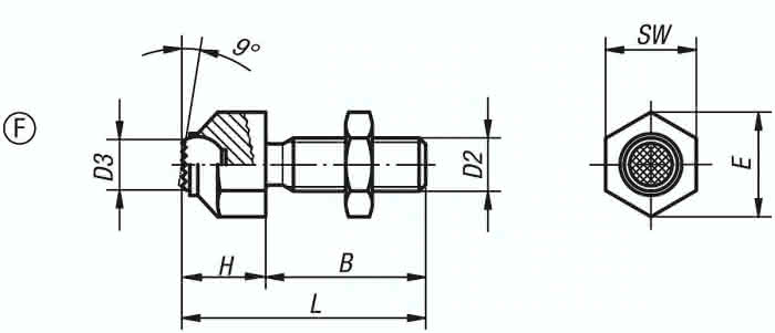
L
77,3
Form
F
B
50
D2
M20
D3
20,0
H
27,3
E
33,0
Belastbarkeit max. kN (nur bei statischer Belastung)
90
Kugel-Ø
25,0
SW
30
Gewicht
0,28 KG




