Beschreibung
· Die Kugel ist gegen Verdrehen gesichert.
· Dienen als Auflage, Anschläge und Druckstücke
· Anwendungsgebiete: Maschinenbau, Vorrichtungsbau, Montage
· Kugel gegen Verdrehen gesichert
· Ausführung: Stahl oder Edelstahl
Spezifikationen
Material Grundkörper
Stahl
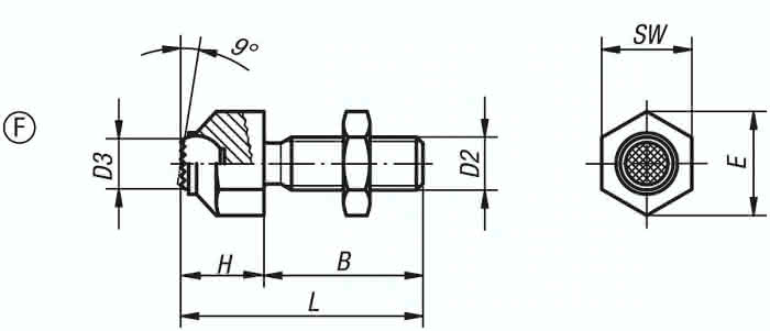
Benennung
Pendelauflage
L
50,7
Form
F
B
35
D2
M12
D3
8,6
H
15,7
E
19,0
Belastbarkeit max. kN (nur bei statischer Belastung)
15
Kugel-Ø
12,0
SW
17
Gewicht
0,055 KG




