Beschreibung
· Die Kugel ist gegen Verdrehen gesichert.
· Dienen als Auflage, Anschläge und Druckstücke
· Anwendungsgebiete: Maschinenbau, Vorrichtungsbau, Montage
· Kugel gegen Verdrehen gesichert
· Ausführung: Stahl oder Edelstahl
Spezifikationen
Material Grundkörper
Stahl
Benennung
Pendelauflage
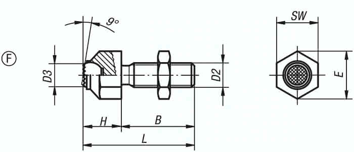
L
36,6
Form
F
B
25
D2
M8
D3
5,8
H
11,6
E
14,5
Belastbarkeit max. kN (nur bei statischer Belastung)
8
Kugel-Ø
8,5
SW
13
Gewicht
0,021 KG




