Beschreibung
· Dienen als Auflage, Anschläge und Druckstücke
· Anwendungsgebiete: Maschinenbau, Vorrichtungsbau, Montage
· O-Ring als Schutz gegen Schmutz und Fremdteilchen
Werkstoff:
Körper Vergütungsstahl.
Kugel Werkzeugstahl.
Ausführung:
Körper vergütet. Kugel gehärtet, brüniert.
Hinweis:
Die Pendelauflagen werden zum Stützen und Spannen von unbearbeiteten und bearbeiteten Werkstücken verwendet.
Darüber hinaus dienen sie als Anschläge, Auflagen und Druckstücke im Vorrichtungs- und Werkzeugbau.
Kugel gegen Verdrehen gesichert.
Vorteile:
Der eingebaute O-Ring hält die Kugel und verhindert das Eindringen von Schmutz und Fremdteilchen.
Dadurch wird eine gleichmäßige Bewegung gewährleistet.
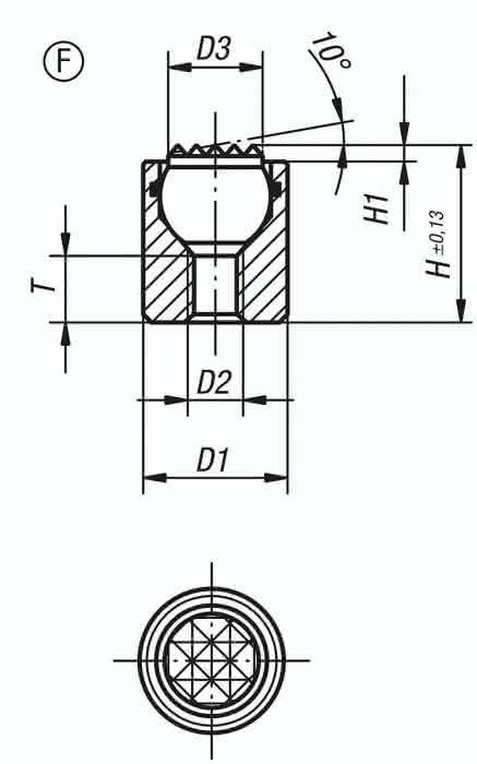
Spezifikationen
Ausführung 1
mit O-Ring
Material Grundkörper
Vergütungsstahl
Benennung
Pendelauflage
Form
F
D1
13
H
25
T
12,0
D2
M5
D3
8,5
Kugel-Ø
10
Belastbarkeit max. kN (nur bei statischer Belastung)
20
H1
1,5
Gewicht
0,022 KG




