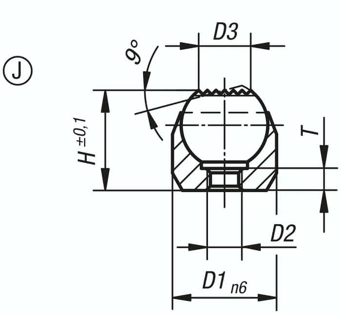
Beschreibung
· Dienen als Auflage, Anschläge und Druckstücke
· Anwendungsgebiete: Maschinenbau, Vorrichtungsbau, Montage
· Kugel gegen Verdrehen gesichert
· Kugel gehärtet
Werkstoff:
Körper Vergütungsstahl, Kugel Wälzlagerstahl 1.2067.
Ausführung:
Körper vergütet und phosphatiert.
Kugel gehärtet.
Hinweis:
Die Pendelauflagen dienen als Anschläge, Auflagen und Druckstücke im Vorrichtungsbau.
Kugel gegen Verdrehen gesichert.
* Gilt nur, wenn die Mindest-Bohrungstiefe eingehalten ist.
Spezifikationen
Material Grundkörper
Vergütungsstahl
Benennung
Pendelauflage
Form
J
H
17
D1
18
D3
10,5
T
4,4
D2
M4
Kugel-Ø
16
Aufnahme- bohrung
ø 18 H7X8 min.
Belastbarkeit max. kN (nur bei statischer Belastung)
25*
Gewicht
0,028 KG




