Beschreibung
· Dienen als Auflage, Anschläge und Druckstücke
· Anwendungsgebiete: Maschinenbau, Vorrichtungsbau, Montage
· Kugel gegen Verdrehen gesichert
· Kugel gehärtet
Werkstoff:
Körper Vergütungsstahl, Kugel Wälzlagerstahl 1.2067.
Ausführung:
Körper vergütet und phosphatiert.
Kugel gehärtet.
Hinweis:
Die Pendelauflagen dienen als Anschläge, Auflagen und Druckstücke im Vorrichtungsbau.
Kugel gegen Verdrehen gesichert.
* Gilt nur, wenn die Mindest-Bohrungstiefe eingehalten ist.
Spezifikationen
Material Grundkörper
Vergütungsstahl
Benennung
Pendelauflage
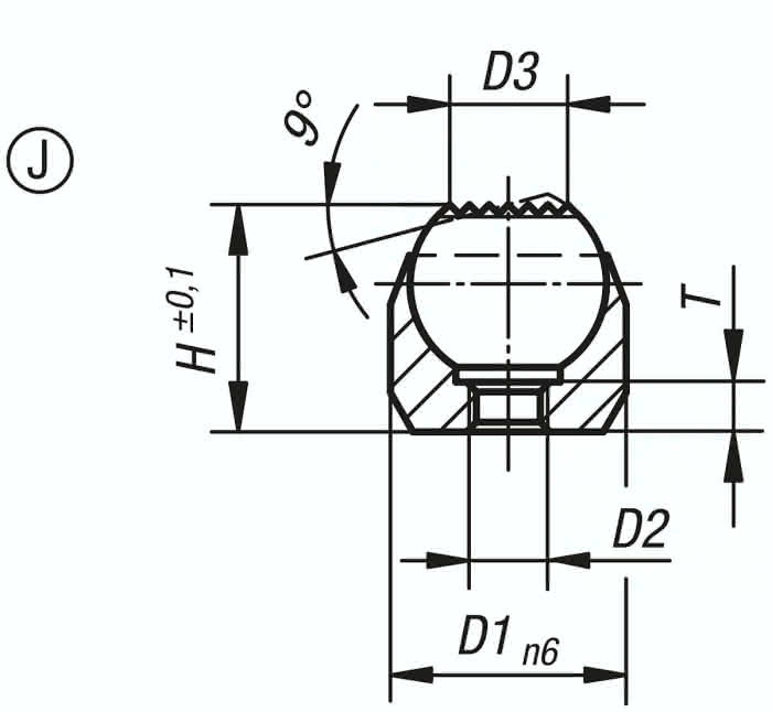
Form
J
D1
12
D2
M3
D3
7,2
H
11
Aufnahme- bohrung
ø 12 H7X6 min.
Belastbarkeit max. kN (nur bei statischer Belastung)
10*
Kugel-Ø
10
T
3,5
Gewicht
0,008 KG




