Beschreibung
· Dienen als Auflage, Anschläge und Druckstücke
· Anwendungsgebiete: Maschinenbau, Vorrichtungsbau, Montage
· Kugel gegen Verdrehen gesichert
· Kugel gehärtet
Werkstoff:
Körper Vergütungsstahl,
Kugel Wälzlagerstahl 1.2067,
Einsatz POM
Ausführung:
Körper vergütet und phosphatiert.
Kugel gehärtet.
Hinweis:
Die Pendelauflagen dienen als Anschläge, Auflagen und Druckstücke im Vorrichtungsbau.
Kugel gegen Verdrehen gesichert.
* Gilt nur, wenn die Mindest-Bohrungstiefe eingehalten ist.
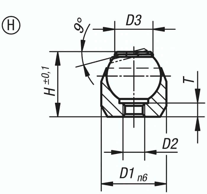
Spezifikationen
Material Grundkörper
Vergütungsstahl
Benennung
Pendelauflage
Form
H
H
25
D1
28
D3
19,05
T
6
D2
M5
Kugel-Ø
25
Aufnahme- bohrung
ø 28 H7X13 min.
Belastbarkeit max. kN (nur bei statischer Belastung)
90*
Gewicht
0,095 KG




