Beschreibung
· Dienen als Auflage, Anschläge und Druckstücke
· Anwendungsgebiete: Maschinenbau, Vorrichtungsbau, Montage
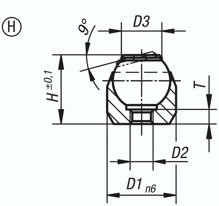
· Kugel gegen Verdrehen gesichert
· Kugel gehärtet
Werkstoff:
Körper Vergütungsstahl,
Kugel Wälzlagerstahl 1.2067,
Einsatz POM
Ausführung:
Körper vergütet und phosphatiert.
Kugel gehärtet.
Hinweis:
Die Pendelauflagen dienen als Anschläge, Auflagen und Druckstücke im Vorrichtungsbau.
Kugel gegen Verdrehen gesichert.
* Gilt nur, wenn die Mindest-Bohrungstiefe eingehalten ist.
Spezifikationen
Material Grundkörper
Vergütungsstahl
Benennung
Pendelauflage
Form
H
D2
M3
D3
7,90
Aufnahme- bohrung
ø 12 H7X6 min.
H
11
Kugel-Ø
10
T
3
Belastbarkeit max. kN (nur bei statischer Belastung)
10*
D1
12
Gewicht
0,0069 KG




