Beschreibung
Werkstoff:
GJL 250 geglüht.
Hinweis:
Die Länge L wird durch Sägeschnitt bearbeitet und wird immer mit Aufmaß geliefert.
Zeichnungshinweis:
Bearbeitete Flächen: ±0,25 mm
Unbearbeitete Flächen: ±2 mm
Längentoleranzen:
=200 mm: +3/+10
von 201 mm bis 590 mm: +8/+15
=600 mm: +20/+50
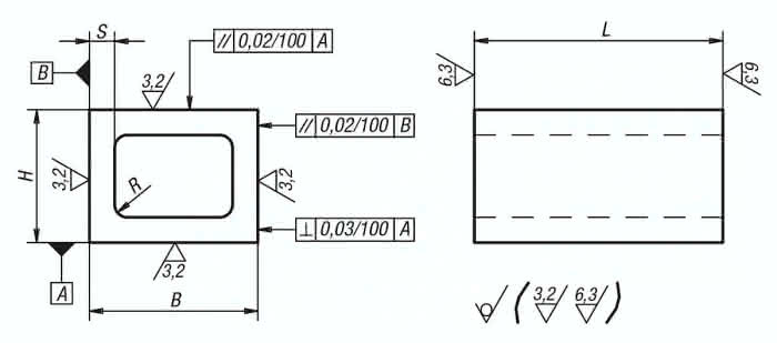
Spezifikationen
Ausführung 1
rechteckig
Material Grundkörper
Grauguss
L = Länge
200
B
80
H
63
≈ S
12
R
6
Gewicht
4,3 KG




