Beschreibung
· Zum Aufbau von Vorrichtungen
· Einfache Handhabung
· Vielseitig einsetzbar
Werkstoff:
GJL 250 geglüht oder EN AW-7075.
Hinweis:
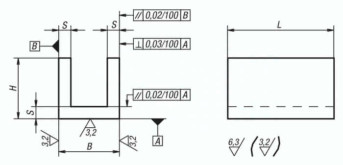
Die Länge L wird durch Sägeschnitt bearbeitet und wird immer mit Aufmaß geliefert.
Auf Anfrage:
Längen 800 mm und 1000 mm in Grauguss.
Zeichnungshinweis:
Bearbeitete Flächen: ±0,25 mm
Längentoleranzen:
=200 mm: +3/+10
von 201 mm bis 590 mm: +8/+15
=600 mm: +20/+50
Spezifikationen
Material Grundkörper
Aluminium
Benennung
U-Profil
L = Länge
200
B
125
H
125
S
20
Gewicht
4 KG




