Beschreibung
Werkstoff:
GJL 250 geglüht oder EN AW-7075.
Hinweis:
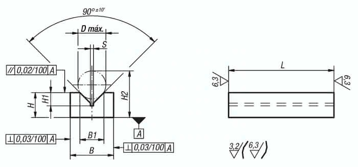
Die Länge L wird durch Sägeschnitt bearbeitet und wird immer mit Aufmaß geliefert.
Zeichnungshinweis:
Bearbeitete Flächen: ±0,25 mm
Längentoleranzen:
=200 mm: +3/+10
von 201 mm bis 590 mm: +8/+15
=600 mm: +20/+50
Spezifikationen
Material Grundkörper
Aluminium
Benennung
Prismenbock
Gewicht
0,36 KG




