Beschreibung
Werkstoff:
GJL 250 geglüht oder EN AW-7075.
Hinweis:
Die Länge L wird durch Sägeschnitt bearbeitet und wird immer mit Aufmaß geliefert.
Zeichnungshinweis:
Bearbeitete Flächen: ±0,25 mm
Längentoleranzen:
=200 mm: +3/+10
von 201 mm bis 590 mm: +8/+15
=600 mm: +20/+50
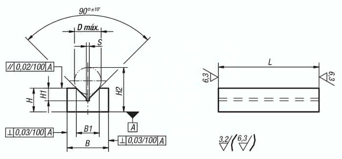
Spezifikationen
Material Grundkörper
Grauguss
Benennung
Prismenbock
Bestellnummer Aluminium
01640-205X200
L = Länge
200
B
70
H
50
S
3,0
D max.
58
H1
26,0
B1
50,0
H2
95
Gewicht
4,3 KG




