Beschreibung
Werkstoff:
GJL 250 geglüht oder EN AW-7075.
Hinweis:
Die Länge L wird durch Sägeschnitt bearbeitet und wird immer mit Aufmaß geliefert.
Zeichnungshinweis:
Bearbeitete Flächen: ±0,25 mm
Längentoleranzen:
=200 mm: +3/+10
von 201 mm bis 590 mm: +8/+15
=600 mm: +20/+50
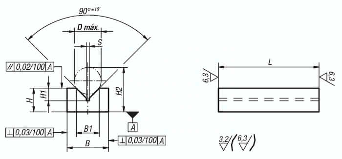
Spezifikationen
Material Grundkörper
Grauguss
Benennung
Prismenbock
Bestellnummer Aluminium
01640-204X600
L = Länge
600
B
50
H
36
S
2,5
D max.
38
H1
17,0
B1
31,7
H2
66
Gewicht
7 KG




