Beschreibung
Werkstoff:
GJL 250 geglüht oder EN AW-7075.
Hinweis:
Die Länge L wird durch Sägeschnitt bearbeitet und wird immer mit Aufmaß geliefert.
Zeichnungshinweis:
Bearbeitete Flächen: ±0,25 mm
Längentoleranzen:
=200 mm: +3/+10
von 201 mm bis 590 mm: +8/+15
=600 mm: +20/+50
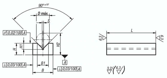
Spezifikationen
Material Grundkörper
Grauguss
Benennung
Prismenbock
Bestellnummer Aluminium
01640-202X200
L = Länge
200
B
36
H
20
S
2,0
D max.
24
H1
11,0
B1
21,9
H2
38
Gewicht
0,85 KG




