Beschreibung
Werkstoff:
GJL 250 geglüht oder EN AW-7075.
Hinweis:
Die Länge L wird durch Sägeschnitt bearbeitet und wird immer mit Aufmaß geliefert.
Zeichnungshinweis:
Bearbeitete Flächen: ±0,25 mm
Längentoleranzen:
=200 mm: +3/+10
von 201 mm bis 590 mm: +8/+15
=600 mm: +20/+50
Spezifikationen
Material Grundkörper
Grauguss
Benennung
Prismenbock
Bestellnummer Aluminium
01640-201X200
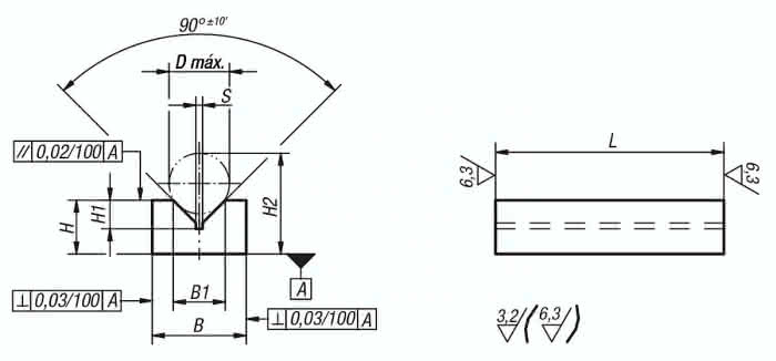
L = Länge
200
B1
15,5
S
2,0
D max.
18
H
16
H1
8,5
H2
30
B
25
Gewicht
0,5 KG




