Beschreibung
· Zum Aufbau von Vorrichtungen
· Hohe Stabilität
· Sehr robust
Werkstoff:
GJL 250 geglüht oder EN AW-7075.
Hinweis:
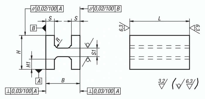
Die Länge L wird durch Sägeschnitt bearbeitet und wird immer mit Aufmaß geliefert.
Zeichnungshinweis:
Bearbeitete Flächen: ±0,25 mm
Unbearbeitete Flächen: ±2 mm
Längentoleranzen:
=200 mm: +3/+10
von 201 mm bis 590 mm: +8/+15
=600 mm: +20/+50
Spezifikationen
Material Grundkörper
Grauguss
Bestellnummer Aluminium
01560-205X200
L = Länge
200
H
125
B
125
S1
26
H1
45
S
20
R
8
Gewicht
11 KG




