Beschreibung
· Zum Aufbau von Vorrichtungen
· Einfache Handhabung
· Vielseitig einsetzbar
Werkstoff:
GJL 250 geglüht oder EN AW-7075.
Hinweis:
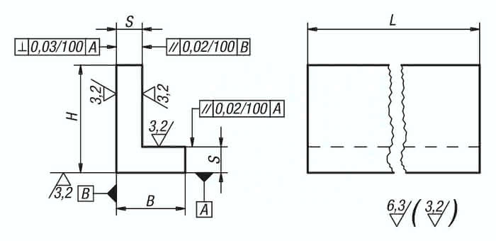
Die Länge L wird durch Sägeschnitt bearbeitet und wird immer mit Aufmaß geliefert.
Zeichnungshinweis:
Bearbeitete Flächen: ±0,25 mm
Längentoleranzen:
=200 mm: +3/+10
von 201 mm bis 590 mm: +8/+15
=600 mm: +20/+50
Spezifikationen
Ausführung 1
ungleichschenklig
Material Grundkörper
Grauguss
Benennung
L-Profil
L = Länge
300
S
36
H
250
B
200
Gewicht
34 KG




