Anmelden
Norelem

01380-206X1000

L-Profil


Ausgabe: 1 StückEAN: 4059495004273Artikelnummer: K1915191

01380-206X1000 L-Profil

Ausgabe:
1 STK


Beschreibung
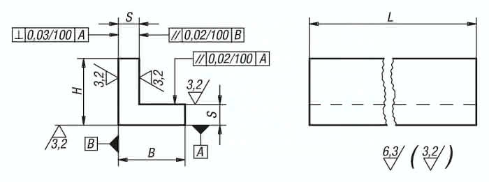
· Zum Aufbau von Vorrichtungen · Einfache Handhabung · Vielseitig einsetzbar Werkstoff: GJL 250 geglüht oder EN AW-7075. Hinweis: Die Länge L wird durch Sägeschnitt bearbeitet und wird immer mit Aufmaß geliefert. Zeichnungshinweis: Bearbeitete Flächen: ±0,25 mm Längentoleranzen: =200 mm: +3/+10 von 201 mm bis 590 mm: +8/+15 =600 mm: +20/+50
Spezifikationen
Ausführung 1

gleichschenklig

Material Grundkörper

Aluminium

Benennung

L-Profil

Gewicht

10 KG