Beschreibung
· Zum Erreichen einer bestimmten Auflagenhöhe
· Auflageflächen geschliffen
Werkstoff:
Vergütungsstahl.
Ausführung:
brüniert.
Auflageflächen geschliffen.
Hinweis:
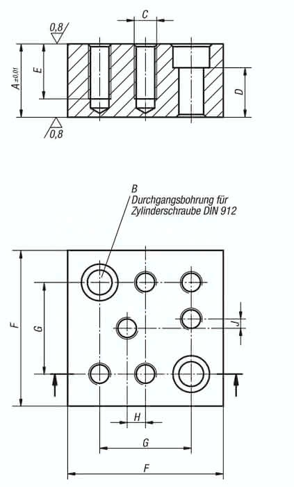
Unterlegblöcke dienen zum Erreichen einer bestimmten Auflagenhöhe. Die zusätzlichen Gewindebohrungen in den Unterlegblöcken werden als Aufnahme für weitere Vorrichtungselemente verwendet.
Spezifikationen
D
37
Benennung
Unterlegblock
B Durchgangsbohrung für Schraube DIN 912
M12
A
50
C
M12
H
10
E
30
F
85
G
50
Gewicht kg
2,500
J
5
Gewicht
2,5 KG




