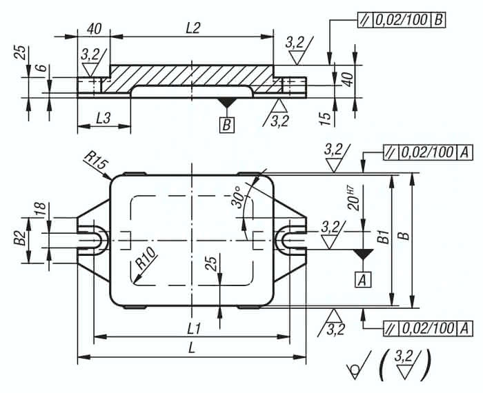
Beschreibung
· Mit Führungsnut zum Ausrichten
· Oberfläche bearbeitet
· Verschiedene Abmessungen
Werkstoff:
GJL 250 geglüht.
Spezifikationen
Ausführung 1
mit Flansch
Material Grundkörper
Grauguss
Benennung
Grundplatte
L
280
B
166
B2
56
L1
240
L3
65
B1
160
L2
200
Gewicht
10 KG




