Beschreibung
Werkstoff:
GJL 250 geglüht.
Hinweis:
Paletten auf Anfrage auch mit Nuten lieferbar.
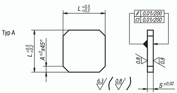
Typ A Auflageflächen geschliffen (Ra 0,8).
Spezifikationen
Ausführung 1
Typ A
Typ
A
A
70
Gewicht
195 KG
L
630
S
63
Material Grundkörper
Grauguss


Typ A
A
70
195 KG
630
63
Grauguss