Beschreibung
Werkstoff:
GJL 250 geglüht.
Hinweis:
Paletten auf Anfrage auch mit Nuten lieferbar.
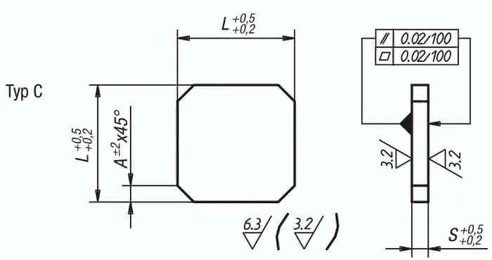
Typ C Auflageflächen und Seitenflächen gefräst (Ra 3,2).
Spezifikationen
Ausführung 1
Typ C
Typ
C
A
60
Gewicht
100 KG
L
500
S
50
Material Grundkörper
Grauguss



