Beschreibung
Werkstoff:
GJL 250 geglüht.
Hinweis:
Paletten auf Anfrage auch mit Nuten lieferbar.
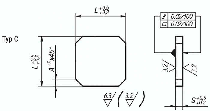
Typ C Auflageflächen und Seitenflächen gefräst (Ra 3,2).
Spezifikationen
Ausführung 1
Typ C
Typ
C
A
40
Gewicht
29 KG
L
320
S
40
Material Grundkörper
Grauguss



