Beschreibung
Werkstoff:
GJL 300.
Ausführung:
Auflage- und Aufspannflächen geschliffen.
Hinweis:
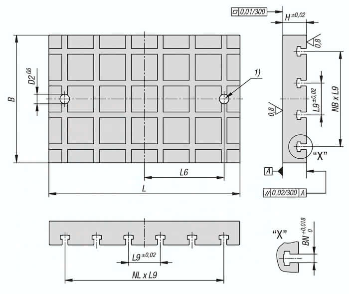
Grundplatten mit T-Nuten werden zum Aufbau von modularen Vorrichtungen eingesetzt. Diese Grundplatten werden direkt auf Maschinentischen positioniert und befestigt.
Die genauen Nutenabstände in Längs- und Querrichtung garantieren eine sehr hohe Wiederholgenauigkeit der Aufspannungen.
Die zwei Richtbohrungen dienen zum Ausrichten der Grundplatte auf dem Maschinentisch.
Befestigungsbohrungen werden kundenseitig passend zum Maschinentisch eingearbeitet.
Positionierbolzen zum Abstecken der Grundplatten müssen separat bestellt werden.
Lieferung inklusive Ringschrauben mit T-Nutensteinen für den Transport.
Weitere Abmessungen auf Anfrage.
Zeichnungshinweis:
1) Positionierbohrung
Spezifikationen
Ausführung 1
mit T-Nut
Material Grundkörper
GJL300
L
900
B
450
D2
30
H
60
L6
800
BN=Nutbreite
14
NL=Anzahl in Längsrichtung
8
NB=Anzahl in Querrichtung
3
L9
100
Gewicht
168 KG



