Beschreibung
Werkstoff:
GJL 300.
Ausführung:
Auflage- und Aufspannflächen geschliffen.
Hinweis:
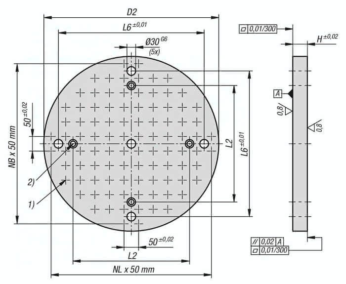
Rasterabstand 50 ±0,02 mm.
Grundplatten rund mit Rasterbohrungen werden zum Aufbau von modularen Vorrichtungen eingesetzt. Diese Grundplatten werden direkt auf Maschinentischen positioniert und befestigt.
Die Richtbohrungen dienen zum Ausrichten der Grundplatte auf dem Maschinentisch.
Positionierbolzen zum Abstecken der Grundplatten müssen separat bestellt werden.
Schutzstopfen zum Verschließen der Rasterbohrungen müssen separat bestellt werden.
Lieferung inklusive Ringschrauben für den Transport.
Weitere Abmessungen auf Anfrage.
Auf Anfrage:
weitere Abmessungen.
Zeichnungshinweis:
1) Rasterbohrung
2) Durchgangsbohrung für Zylinderschraube DIN 912 (D4)
Spezifikationen
Ausführung 1
mit Rasterbohrungen
Material Grundkörper
GJL300
D4
M16
D
16
D1
M16
H
50
D2
600
L6
500
N1=Anzahl Rasterbohrungen
96
NL=Anzahl in Längsrichtung
11
NB=Anzahl in Querrichtung
11
L2
400
Gewicht
95 KG




