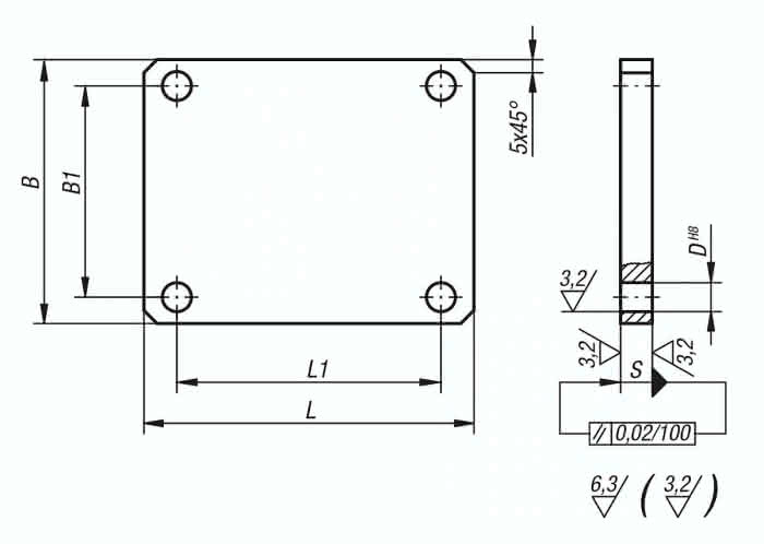
Beschreibung
· Passbohrungen zur genauen Ausrichtung
· Oberfläche bearbeitet
Werkstoff:
Vergütungsstahl 1.1181.
Ausführung:
blank.
Zeichnungshinweis:
Bearbeitete Flächen: ±0,25 mm
Dicke: +0/-0,5 mm
Unbearbeitete Flächen: ±2 mm
Spezifikationen
Material Grundkörper
Vergütungsstahl
Benennung
Sockel
B
200
S
20
L1
220
D
13
B1
180
L
250
Gewicht
8 KG




