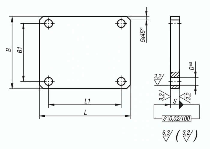
Beschreibung
· Passbohrungen zur genauen Ausrichtung
· Oberfläche bearbeitet
Werkstoff:
Vergütungsstahl 1.1181.
Ausführung:
blank.
Zeichnungshinweis:
Bearbeitete Flächen: ±0,25 mm
Dicke: +0/-0,5 mm
Unbearbeitete Flächen: ±2 mm
Spezifikationen
Material Grundkörper
Vergütungsstahl
Benennung
Sockel
B
125
S
16
L1
140
D
11
B1
100
L
160
Gewicht
2,5 KG




