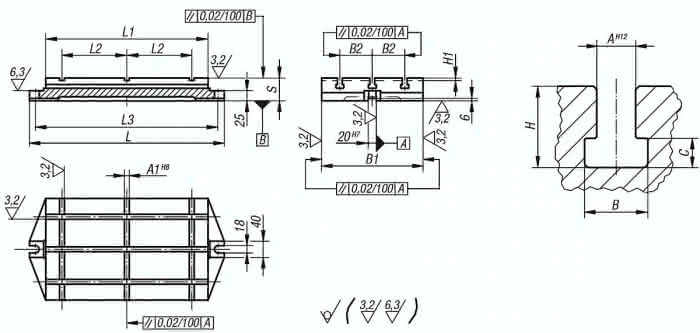
Beschreibung
Werkstoff:
GJL 250 geglüht.
Spezifikationen
Ausführung 1
mit T-Nut
Material Grundkörper
Grauguss
L
580
A
14
B
23,0
C
9
H
28
S
63
B2
100
H1
6
L1
500
L3
550
B1
315
A1
14
L2
220
Gewicht
64 KG


mit T-Nut
Grauguss
580
14
23,0
9
28
63
100
6
500
550
315
14
220
64 KG