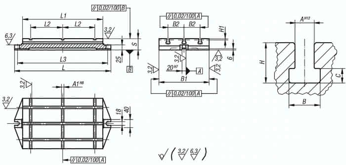
Beschreibung
Werkstoff:
GJL 250 geglüht.
Spezifikationen
Ausführung 1
mit T-Nut
Material Grundkörper
Grauguss
L
480
A
12
B
19,5
C
8
H
25
S
56
B2
80
H1
6
L1
400
L3
450
B1
250
A1
12
L2
160
Gewicht
39 KG


mit T-Nut
Grauguss
480
12
19,5
8
25
56
80
6
400
450
250
12
160
39 KG