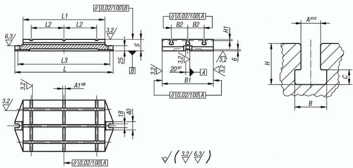
Beschreibung
Werkstoff:
GJL 250 geglüht.
Spezifikationen
Ausführung 1
mit T-Nut
Material Grundkörper
Grauguss
L
330
A
10
B
16,5
C
7
H
21
S
50
B2
50
H1
4
L1
250
L3
300
B1
160
A1
8
L2
100
Gewicht
15 KG


mit T-Nut
Grauguss
330
10
16,5
7
21
50
50
4
250
300
160
8
100
15 KG